31+ John Deere 14Sz Parts Diagram

Of operation test and. Search easy-to-use diagrams and enjoy same-day shipping on standard.


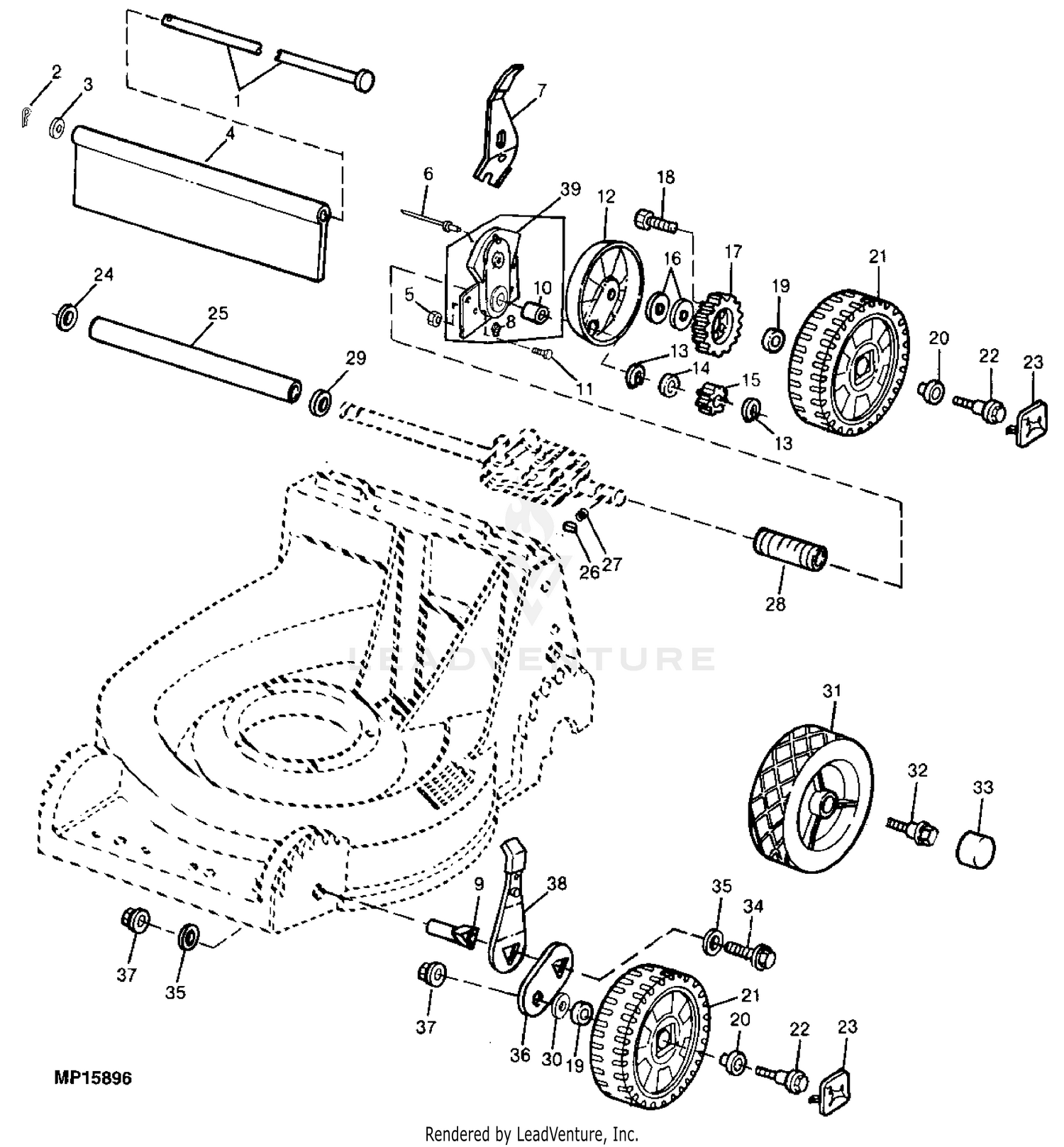
John Deere 21 In Walk Behind Mowers Silver 12pb 12sb 12pc 14pb 14sb 14se 14pz 14sz 14sc 14sx Sn 010001 21 In 2cycle Walk Behind Rotary Mowers Zone Start Briggs Stratton Engines Pc2264 Wheels 14pz 14sz

Web John Deere Walk Behind Mower Parts Model 14SE Model 14SE The serial number is located in the following locations.

. Free shipping by Download. Search our parts catalog order parts online or contact your John Deere dealer. Web John Deere 14PZ Walk Behind Mower Parts including mower blades deck belt oil and air filter along with Parts Look-up DiagramsSchematics.

Make sure the engine is cool then twist. This factory John Deere. Web JOHN DEERE DEALERS This is a complete revision for TM1471 21-Inch Rear-Discharge Walk-Behind Rotary Mowers SN.

Web Only from John Deere. Web Find parts for your john deere wheels 14pz14sz. Dxent Fuel Pump with Fuel Filter Shut Off Valve.

Web Up to 6 cash back Model14SZ ProductLawn Mower Shop Parts Diagrams Manuals Common Problems Related Videos Save to my models Filter Refine Results Filters Part. The serial number is located on. Web John Deere 14SZ Parts The 14SZ Walk Behind Mower is a self-propelled mower that features 21 cutting width 4 cycle 4-5 HP Briggs Stratton engine 06 L oil capacity and.

Price and other details may vary based on product size and color. New Part Ignition Coil Compatible with John Deere. Mower related parts with our free parts lookup tool.

Web Best John Deere 14sz Parts Diagram. Web 1-16 of 374 results for john deere 14sb parts RESULTS. 2022 Buying Guide Product Name Image.

Included on the E120 E130 E150 E160 E170 and E180 models. Web John Deere 14Sz Mower Walk-Behind Parts Catalog Manual Pdf Download This manual may contain attachments and optional equipment that are not available in your area. Web Find parts diagrams for your John Deere equipment.

Web JOHN DEERE WALK-BEHIND MOWER 12PB 12PC 12SB 14PB 14PT 14PZ 14SB 14SC 14SX 14SE 14ST 14SZ Service Repair Manual. Order Now Step One. Web John Deere 14SZ Walk Behind Mower Technical Manual TM1471 716 Pages in pdf format 252 MB in zip format for super fast downloads.

Web John Deere Parts Lookup -John Deere-21-IN Walk-Behind Mowers Silver 12PB 12SB 12PC 14PB 14SB 14SE 14PZ 14SZ 14SC 14SX SN 010001- 21-IN 2Cycle Walk. Equipment Finance Parts Service. The Best John Deere 14sz Parts Diagram.


Service


John Deere Parts Lookup Weingartz


John Deere Mower Parts


Tm1471 John Deere Mowers 12pb 12pc 12sb 14pb 14pt 14pz 14sb 14sc 14se 14st 14sx 14sz Technical Manual Deere Technical Manuals


John Deere 14 Sz Walk Behind Mower Service Repair Manual


John Deere Parts Catalog Manuals All Models


Lawn Mower Parts John Deere Us


John Deere Parts Lookup Weingartz


John Deere 31 Integral Disk Parts Catalog Manual Book Original Pc 1579 Ebay


John Deere Service Advisor 4 2 2016 Cce Download Get As A Set Of Dvds


Lawn Mower Parts John Deere Us


John Deere Mower Related Parts Wheels 14pz 14sz


John Deere Lawnmower 14 Pz 21 Cut Zone Start 5 Hp Engine Lightweight Bagger Mulcher Mower Ran Well With Pull Cord Snapped Needs Tlc Top Of The Line Auction 1bid


Harbot 15003 2364 Carburetor For John Deere 14sb Jx75 Je75 Jx85 Walk Behind Mower Kawasaki Fc150v 4 Stroke Engine With Spark Plug Fuel Filter Amazon Ca Patio Lawn Garden


Lawn Mower Parts John Deere Us


Amazon Com 2 Lawn Mower Blades Fits John Deere 21 Walk Behind Mower Je75 Jx75 Jx85 Patio Lawn Garden


John Deere 14sz Mower Walk Behind Parts Catalog Manual Pdf Download Service Manual Repair Manual Pdf Download

Iklan Atas Artikel

Iklan Tengah Artikel 1

Iklan Tengah Artikel 2

Iklan Bawah Artikel